|
|
|
Splittere
si distribuitoare
ISeria
SI ISeria DI ISeria STSI
ISeria STDI ISeria STI
ISeria DTI
Seria
S - Splittere de interior cu 2 / 3 / 4 cai
 
Descriere
functionala
-
Splittere
de banda larga de inalta calitate
-
Banda
de frecventa: 5…900 sau 1000 MHz
-
Realizate
pentru utilizarea in retele de cablu interactive CATV / MATV
-
Carcasa
din Aluminiu turnat
| Date
tehnice generale |
|
S
2.4
|
S
3.8
|
S
4.8
|
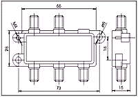
Dimensiuni
L x l x H |
|
50 x 28 x 16 mm
|
50 x 28 x 16 mm
|
73 x 28 x 16 mm
|
| Greutate |
|
aprox. 0,060 Kg
|
aprox. 0,065 Kg
|
aprox. 0,085 Kg
|
| Gama temperatura operare |
|
-25…+70 grd. C
|
-25…+70 grd. C
|
-25…+70 grd. C
|
| Impedanta |
toate porturile |
75 ohm
|
75 ohm
|
75 ohm
|
| Conexiuni: |
toate porturile |
F mama
|
F mama
|
F mama
|
| Caracteristici
tehnice |
| Banda frecventa: |
|
5…1000 MHz
|
5…900 MHz
|
5…900 MHz
|
| Atenuari |
IN – OUT 1 |
4 dB
|
4 dB
|
8 dB
|
| |
IN – OUT 2 |
4 dB
|
8 dB
|
8 dB
|
| |
IN – OUT 3 |
-
|
8 dB
|
8 dB
|
| |
IN – OUT 4 |
-
|
-
|
8 dB
|
| Izolatia minima |
|
|
|
|
| |
OUT 1 – OUT 2 |
20 dB
|
22 dB
|
22 dB
|
| |
OUT 1 – OUT 3 |
-
|
22 dB
|
25 dB
|
| |
OUT 1 – OUT 4 |
-
|
-
|
25 dB
|
| |
OUT 2 – OUT 3 |
-
|
18 dB
|
25 dB
|
| |
OUT 2 – OUT 4 |
-
|
-
|
25 dB
|
| |
OUT 3 – OUT 4 |
-
|
-
|
22 dB
|
| Neliniaritate |
|
max +/- 0,5 dB
|
max +/- 0,5 dB
|
max +/- 0,5 dB
|
|
|
|
|
Schema
de montaj S2.4
|
Schema
de montaj S4.8
|
|
|
|