|
|
|
Prize
si conectori
IPrize
TV I IConectori pentru cablu si panouI
Priza
TV cu doua iesiri

Descriere
functionala
-
Tehnologie
de banda larga pentru aplicatii pana la 860 MHz
-
Utilizabila
pentru conectarea a doua receptoare TV in retele
CATV / MATV
-
O singura
intrare de cablu IN pentru 2 iesiri TV 1, TV 2
-
Carcasa
din plastic
| Date
tehnice generale |
|
Priza
TV
|
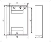
| Dimensiuni L x l x H |
|
70 x 52 x 18 mm
|
| Greutate |
|
aprox. 0,060 Kg
|
| Impedanta |
toate porturile |
75 ohm
|
| Caracteristici
tehnice |
| Gama frecventa |
|
3…860 MHz
|
| Atenuare pe fiecare iesire |
|
tipic 4 dB
|
|
|
|
Schema
de montaj priza TV
|
|
|
|